居家楼凤QM论坛,2025成都品茶经纪人工作室,贵阳桑拿交流论坛

浙轮电力主营APF有源电力滤波装置、电容器系列、电抗器系列、智能复合开关和无功补偿控制器等产品。
ZLDL-电容器系列
ZLDL-BSMJ-1单相自愈式低压并联电容器
所属分类:ZLDL-电容器系列

 电容器使用注意事项:
1.过电压和过热将缩短电容器的寿命。因此应严格控制运行条件( 即:环境温度、电压及电流等)。
2.系统中装并联电容器时,应充分注意以下情况:
  a. 在谐波含量严重的环境下,不宜直接装设并联电容器,请串联抗谐波电抗器使用。在谐波含量并不严重的环境下,请提升电容器电压等级或采用滤波电容器。( 常见的谐波源有:变频器、直流整流器、逆变器、电解电镀设备、中频炉、电弧炉等)
  b. 在电动机固定连接并联电容器时,建议按电容器电流小于电动机空载电流90% 来选配电容器。
  c. 在变压器空载时,应使电容器退出运行。
3.系统中装并联电容器时,应选用能限制涌流及不重燃的专用开关、接触器、电子复合开关及过流继电器等。
4.电容器再投入需要延时3min 以上,断开电源必须进行短路放电之后,才能进行触及或测试。
5.用小型断路器作短路保护时,应按电容器额定电流2-3 倍选择,严禁断路6.电容器从电源切除后一定要保证电容器剩余电压降至10% 额定电压才允许再次投入
主要参数及其它条件:
1.额定电压:(0.23~1.2)kV,AC
2.额定频率:50Hz 或60Hz
3.额定容量:(1 ~ 100)kva r
4.电容偏差:-5% ~ +10%
5.损耗角正切值:
工频额定电压下,20℃时≤ 30kvar 产品,tgδ ≤ 0.0012; >30kvar 产品,tgδ ≤ 0.0015
6.最高允许过电压:1.1UN;每24h 中不超过8h
7.最大允许过电流:1.3 IN
8.自放电特性:电容器施加压 √2 UN 直流电压,断开电源3min 后,剩余电压降到50V 或以下

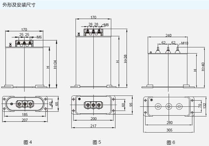
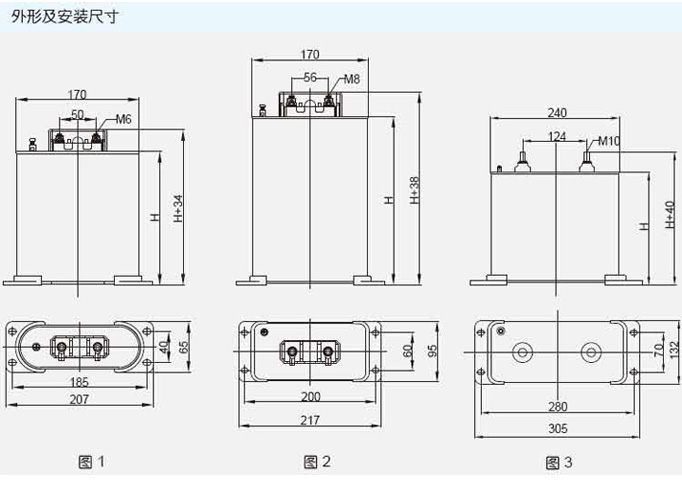
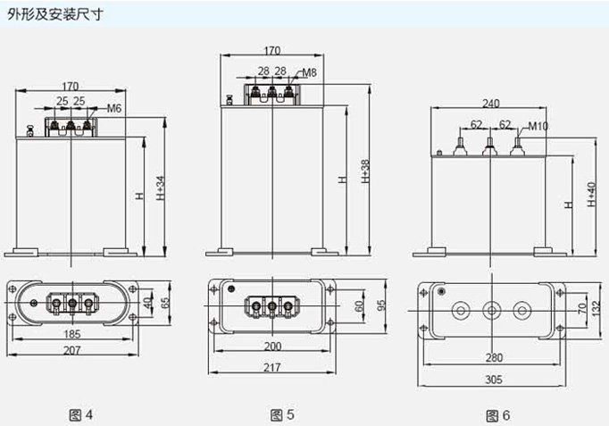
主要产品型号规格、数据表及外型、安装尺寸:

产品型号

BSMJ

额定电压

(kV)

额定容量(kvar)

额定电容

(μF)

额定电流

(A)

额定频率(Hz)

高度

(H)mm

图号

0.25-1-1

0.25

1

51

4

50

110

图1

0.25-2-1

0.25

2

102

8

50

110

图1

0.25-3-1

0.25

3

153

12

50

130

图1

0.25-4-1

0.25

4

204

16

50

130

图1

0.25-5-1

0.25

5

255

20

50

180

图1

0.25-6-1

0.25

6

306

24

50

210

图1

0.25-7.5-1

0.25

7.5

382

30

50

210

图1

0.25-8-1

0.25

8

408

32

50

210

图1

0.25-10-1

0.25

10

509

40

50

210

图1

0.25-12-1

0.25

12

611

48

50

210

图2

0.25-14-1

0.25

14

713

56

50

250

图2

0.25-15-1

0.25

15

764

60

50

250

图2

0.25-16-1

0.25

16

815

64

50

250

图2

0.25-18-1

0.25

18

917

72

50

280

图2

0.25-20-1

0.25

20

1019

80

50

200

图3

0.25-22-1

0.25

22

1121

88

50

200

图3

0.25-24-1

0.25

24

1223

96

50

200

图3

0.25-25-1

0.25

25

1273

100

50

260

图3

0.25-26-1

0.25

26

1325

104

50

260

图3

0.25-28-1

0.25

28

1427

112

50

260

图3

0.25-30-1

0.25

30

1528

120

50

260

图3


产品型号

BSMJ

额定电压

(kV)

额定容量(kvar)

额定电容

(μF)

额定电流

(三相/单相)(A)

额定频率(Hz)

高度

(H)mm

图号

0.4-1-3(1)

0.4

1

20

1.4/2.5

50

110

图4

0.4-2-3(1)

0.4

2

40

2.9/5

50

110

图4

0.4-3-3(1)

0.4

3

60

4.3/7.5

50

110

图4

0.4-4-3(1)

0.4

4

80

5.8/10

50

110

图4

0.4-5-3(1)

0.4

5

99

7.2/12.5

50

110

图4

0.4-6-3(1)

0.4

6

119

8.7/15

50

130

图4

0.4-7.5-3(1)

0.4

7.5

149

10.8/19

50

130

图4

0.4-8-3(1)

0.4

8

159

11.5/20

50

130

图4

0.4-10-3(1)

0.4

10

199

14.4/25

50

180

图4

0.4-12-3(1)

0.4

12

239

17.3/30

50

180

图4

0.4-14-3(1)

0.4

14

279

20.2/35

50

210

图4

0.4-15-3(1)

0.4

15

298

21.7/38

50

210

图4

0.4-16-3(1)

0.4

16

318

23.1/40

50

210

图4

0.4-18-3(1)

0.4

18

358

26.0/45

50

240

图4

0.4-20-3(1)

0.4

20

398

28.9/50

50

240

图4

0.4-22-3(1)

0.4

22

438

31.8/55

50

210

图5

0.4-24-3(1)

0.4

24

478

34.6/60

50

210

图5

0.4-25-3(1)

0.4

25

497

36.1/63

50

210

图5

0.4-26-3(1)

0.4

26

518

37.5/65

50

210

图5

0.4-28-3(1)

0.4

28

557

40.4/70

50

250

图5

0.4-30-3(1)

0.4

30

597

43.3/75

50

250

图5

0.4-35-3(1)

0.4

35

697

50.5/88

50

280

图5

0.4-40-3(1)

0.4

40

796

57.7/100

50

200

图6

0.4-50-3(1)

0.4

50

995

72.1/125

50

260

图6

0.4-60-3(1)

0.4

60

1194

86.6/150

50

300

图6



产品型号

BSMJ

额定电压

(kV)

额定容量(kvar)

额定电容

(μF)

额定电流

(三相/单相)(A)

额定频率(Hz)

高度

(H)mm

图号

0.525-1-3(1)

0.525

1

12

1.1/2

50

110

图4

0.525-2-3(1)

0.525

2

23

2.2/4

50

110

图4

0.525-4-3(1)

0.525

4

46

4.4/8

50

110

图4

0.525-5-3(1)

0.525

5

58

5.5/10

50

110

图4

0.525-6-3(1)

0.525

6

69

6.6/11

50

130

图4

0.525-7.5-3(1)

0.525

7.5

87

8.3/14

50

130

图4

0.525-8-3-3(1)

0.525

8

92

8.8/15

50

130

图4

0.525-10-3(1)

0.525

10

115

11.0/19

50

180

图4

0.525-12-3(1)

0.525

12

139

13.2/23

50

180

图4

0.525-14-3(1)

0.525

14

162

15.4/27

50

210

图4

0.525-15-3(1)

0.525

15

173

16.5/29

50

210

图4

0.525-16-3(1)

0.525

16

185

17.6/30

50

210

图4

0.525-18-3(1)

0.525

18

208

19.8/34

50

240

图4

0.525-20-3(1)

0.525

20

231

22.0/38

50

240

图4

0.525-24-3(1)

0.525

24

277

26.4/46

50

210

图5

0.525-25-3(1)

0.525

25

289

27.5/48

50

210

图5

0.525-30-3(1)

0.525

30

346

33.0/57

50

250

图5

0.525-35-3(1)

0.525

35

404

38.5/67

50

280

图5

0.525-40-3(1)

0.525

40

462

44.0/76

50

200

图6

0.525-50-3(1)

0.525

50

577

55.0/95

50

260

图6

0.525-60-3(1)

0.525

60

693

66.0/114

50

300

图6



产品型号

BSMJ

额定电压

(kV)

额定容量(kvar)

额定电容

(μF)

额定电流

(A)

额定频率(Hz)

高度

(H)mm

图号

0.69-1-3

0.69

1

7

0.8

50

110

图4

0.69-2-3

0.69

2

13

1.7

50

110

图4

0.69-3-3

0.69

3

20

2.5

50

110

图4

0.69-4-3

0.69

4

27

3.3

50

110

图4

0.69-5-3

0.69

5

33

4.2

50

110

图4

0.69-6-3

0.69

6

40

5

50

130

图4

0.69-7.5-3

0.69

7.5

50

6.3

50

130

图4

0.69-8-3

0.69

8

53

6.7

50

130

图4

0.69-10-3

0.69

10

67

8.4

50

180

图4

0.69-12-3

0.69

12

80

10

50

180

图4

0.69-14-3

0.69

14

94

11.7

50

210

图4

0.69-15-3

0.69

15

100

12.6

50

210

图4

0.69-16-3

0.69

16

107

13.1

50

210

图4

0.69-18-3

0.69

18

120

15.1

50

240

图4

0.69-20-3

0.69

20

134

16.7

50

240

图4

0.69-22-3

0.69

22

147

18.4

50

210

图5

0.69-24-3

0.69

24

161

20.1

50

210

图5

0.69-25-3

0.69

25

167

20.9

50

210

图5

0.69-26-3

0.69

26

174

21.8

50

210

图5

0.69-28-3

0.69

28

187

23.4

50

250

图5

0.69-30-3

0.69

30

201

25.1

50

250

图5

0.69-35-3

0.69

35

234

29.3

50

280

图5

0.69-40-3

0.69

40

267

33.5

50

200

图6

0.69-50-3

0.69

50

334

41.8

50

260

图6

0.69-60-3

0.69

60

401

50.8

50

300

图6



产品型号

BSMJ

额定电压

(kV)

额定容量(kvar)

额定电容

(μF)

额定电流

(A)

额定频率(Hz)

高度

(H)mm

图号

1.2-1-3

1.2

1

2

0.5

50

180

图4

1.2-2-3

1.2

2

4

1

50

180

图4

1.2-3-3

1.2

3

7

1.4

50

180

图4

1.2-5-3

1.2

5

11

2.4

50

180

图4

1.2-6-3

1.2

6

13

2.9

50

180

图4

1.2-8-3

1.2

8

18

3.8

50

180

图4

1.2-10-3

1.2

10

22

4.8

50

210

图4

1.2-14-3

1.2

14

31

6.7

50

240

图4

1.2-15-3

1.2

15

33

7.2

50

240

图4

1.2-16-3

1.2

16

35

7.7

50

240

图4

1.2-18-3

1.2

18

40

8.7

50

240

图4

1.2-20-3

1.2

20

44

9.6

50

240

图4

1.2-24-3

1.2

24

53

11.5

50

210

图5

1.2-25-3

1.2

25

55

12

50

210

图5

1.2-26-3

1.2

26

58

12.5

50

250

图5

1.2-30-3

1.2

30

66

14.4

50

280

图5

1.2-35-3

1.2

35

77

16.8

50

200

图6

1.2-40-3

1.2

40

88

19.2

50

200

图6

1.2-50-3

1.2

50

111

24.1

50

260

图6




产品型号

HYMJ

额定电压

(kV)

额定容量(kvar)

额定电容

(μF)

额定电流

(A)

额定频率(Hz)

高度

(H)mm

图号

0.4-10-3

0.4

10

199

14.4

50

210

图10

0.4-15-3

0.4

15

298

21.7

50

250

图10

0.4-20-3

0.4

20

398

28.9

50

200

图11

0.4-25-3

0.4

25

497

36.1

50

240

图11

0.4-30-3

0.4

30

597

43.3

50

240

图11

0.4-35-3

0.4

35

697

50.5

50

300

图11

0.4-40-3

0.4

40

796

57.7

50

350

图11

0.4-50-3

0.4

50

995

72.1

50

350

图11




主站蜘蛛池模板: 东丽区| 台南市| 云龙县| 祁阳县| 张北县| 鹤峰县| 隆化县| 萝北县| 高碑店市| 逊克县| 东平县| 武汉市| 唐海县| 明水县| 黔南| 乳山市| 满洲里市| 大埔县| 读书| 南城县| 高淳县| 海丰县| 金秀| 皮山县| 荥阳市| 合山市| 从江县| 城口县| 红原县| 资阳市| 东乌| 镇远县| 专栏| 威海市| 蓬安县| 科技| 乾安县| 临泉县| 修武县| 宁城县| 枣强县|